What Are U-Bolt Exhaust Clamps
Common Types and Materials
How to Measure U Clamp Size Before Buying
How to Install and Use U-Bolt Exhaust Clamps
How tight should U-bolt clamps be on exhaust pipes?
Can U-bolt clamps stop exhaust leaks?
Are U-bolt clamps reusable?
U-Bolt Clamps vs. Other Clamp Types
Applications in Automotive and Industrial Settings
Bulk Ordering: What Buyers Should Consider
Final Thoughts
When you work with exhaust systems, one of the simplest but most important components you’ll encounter is the U-bolt exhaust clamp. The design is straightforward: a U-shaped bolt, a saddle, and two nuts. Yet this small part plays a key role in keeping pipes connected, sealed, and secure.

In vehicles, exhaust pipes are constantly exposed to heat, vibration, and expansion. Without a reliable connection, pipes loosen, leaks develop, and performance suffers. That’s why the U-bolt clamp is still widely used in passenger cars, trucks, buses, motorcycles, agricultural machinery, and even stationary generators.
Although other clamp designs have appeared over the years, U-bolt clamps remain popular because they are cost-effective, easy to use, and proven to last.
Not all U-bolt exhaust clamps are built the same. Depending on where and how you use them, you’ll need to choose the right material and strength.
Zinc-plated steel clamps: These are the most common type, affordable and sufficient for many everyday repairs. The plating offers basic corrosion resistance.
Stainless steel U-bolt clamps: More durable, designed for high-performance exhausts or harsh environments. They resist rust, which is important if you’re in regions with salty roads or humid climates.
Heavy-duty reinforced clamps: Made from thicker steel, designed for trucks, buses, and industrial exhaust systems where vibration is more intense.
For distributors and mechanics, understanding these differences helps you recommend the right clamp to your customers. For bulk buyers, choosing the correct material also reduces warranty claims and increases client satisfaction.
Zinc-plated steel
Stainless steel

Thicker steel
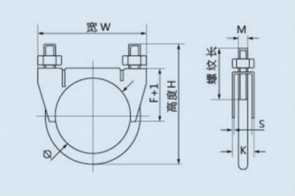
One of the most common search questions is: how to measure U clamp size? The process is simple, but it’s also one of the most frequent causes of ordering mistakes.
You should always measure the outside diameter (OD) of your exhaust pipe, not the inside. If your pipe measures 2.5 inches OD, you need a 2.5-inch U-bolt clamp. A frequent PAA question is: What size U-bolt clamp do I need for a 2.5 inch exhaust pipe?—and the answer is straightforward: a 2.5-inch clamp.
Another detail worth checking is the thread size of the bolts. While the pipe diameter decides the clamp size, the thread diameter and pitch determine whether your tools will work efficiently during installation. For workshops that switch between metric and imperial, keeping a conversion chart avoids confusion.

| Type | Size Ø | Height H | Width W | Thread length L | F | M | K | S |
|---|---|---|---|---|---|---|---|---|
| A | 36 | 63 | 63 | 25 | 28.5 | M8 | 15 | 2 |
| 38 | 64 | 64 | 25 | 29 | M8 | 15 | 2 | |
| 42 | 65 | 70 | 25 | 31 | M8 | 15 | 2 | |
| 45 | 73 | 73 | 30 | 33 | M8 | 15 | 2 | |
| 48 | 77 | 76 | 30 | 34 | M8 | 15 | 2 | |
| 50 | 79 | 78 | 30 | 36 | M8 | 15 | 2 | |
| 54 | 83 | 82 | 30 | 37 | M8 | 15 | 2 | |
| 58 | 87 | 86 | 30 | 40 | M8 | 15 | 2 | |
| 63.5 | 75 | 92 | 30 | 43 | M8 | 15 | 2 | |
| 65 | 94 | 93 | 30 | 44 | M8 | 15 | 2 | |
| 70 | 95 | 100 | 40 | 43 | M8 | 15 | 2 | |
| 73 | 110 | 102 | 40 | 43 | M8 | 15 | 2 | |
| B | 54 | 89 | 87 | 40 | 32 | M10 | 17 | 3 |
| 94 | 128 | 128 | 45 | 60 | M10 | 21 | 3 | |
| 106 | 150 | 138 | 45 | 65 | M10 | 21 | 3 |
More size and material can be supplied according to customers requirements. Above data just for reference.
Many buyers also ask: how to install U-bolt exhaust clamps? and how to use U-bolt clamps correctly?
The installation process is not complicated, but a few details make all the difference:
Slide the clamp over the pipe joint before tightening.
Position the saddle evenly on the joint.
Tighten both nuts gradually, alternating sides to keep the clamp level.
Check for leaks once the engine is running.
You should tighten until the joint is secure but not crushed. Over-tightening can deform the pipe, restrict flow, or even cause cracks. A good rule is to stop once the clamp feels snug and the pipe no longer shifts.
Yes, they can seal minor leaks if installed properly. However, if the pipe is severely corroded or misaligned, the clamp alone won’t solve the problem—you may need to replace the pipe or use a band clamp for a cleaner seal.
This is another frequent buyer question. In theory, you can reuse them if the clamp isn’t deformed or rusted. In practice, it’s better to use new clamps when reinstalling exhaust pipes, especially in a professional workshop. They are inexpensive, and new clamps ensure a stronger hold.
Buyers often compare U-bolt clamps with other options and ask: What’s the difference between a U-bolt clamp and a band clamp?
U-bolt clamps: Low cost, strong grip, widely available. They may slightly crimp the pipe, which is fine for standard repairs.
Band clamps: Provide a smoother seal without distorting the pipe. Often used when a clean joint is important, such as in aftermarket exhaust installations.
V-band clamps: High-end option, often found in performance vehicles. They allow quick disassembly but come at a higher cost.
If you’re running a workshop or distributing parts for everyday vehicles, U-bolt clamps are usually the most practical choice. Band and V-band clamps are better suited for specialized applications.
Exhaust Band Clamp
V Band Clamp
While most people associate U-bolt clamps with car exhaust systems, they are also common in other industries.
Passenger cars and trucks: Used in original exhaust connections and aftermarket replacements.
Heavy-duty vehicles: Trucks, buses, and agricultural machinery where vibration and load are higher.
Generators and industrial engines: Stationary exhaust systems that require secure joints.
Construction equipment: Bulldozers, excavators, and other machines that operate in dusty, high-vibration environments.
Because of this versatility, U-bolt clamps are always in demand—not just for DIY car repairs, but also for distributors serving multiple industries.
If you’re a distributor, garage supplier, or wholesaler, buying U-bolt exhaust clamps in bulk requires more than just choosing the right size. You’ll also want to consider:
Consistency of material
Size range availability
Bolt and thread quality – stronger bolts mean fewer failures during tightening,We generally provide two basic standard nut styles

Packaging – boxed, bulk-packed, or individually bagged depending on your sales model.
Customization – thicker saddles, extended bolts, or stamped branding if you want differentiation in your local market.
We often see repeat orders from distributors who first tested small batches and later expanded to customized solutions. By dealing directly with a manufacturer, you can align production with your market needs.
So, are U-bolt exhaust clamps still relevant in today’s market? The answer is yes. They remain one of the most cost-effective, widely trusted solutions for connecting exhaust pipes.
If you know how to measure U clamp size, understand how to install and use them properly, and choose the right material, these clamps will serve your customers well. For bulk buyers, working directly with a factory ensures consistent supply, quality control, and the option to request custom specifications.
If you're considering bulk orders, take a look at our U-Bolt Exhaust Clamps, explore our wider Exhaust Clamp Collection, or visit our Factory Homepage to discuss tailored supply options for your business.
INFORMATION
HOT PRODUCTS
CONTACT INFORMATION
IMPORTANT LINKS
